さて、ここでは、さいきんのフェンダーのギターアンプでわりと売れてるらしい廉価版真空管アンプ「Blues Junior」の改造について紹介しようと思う。
実際の話、フェンダーのチューブアンプについて語るなら、BassmanだTwinだデラリバやなにやら、いくらでも正規ものがあるわけで、そっちが筋であって、ブルースジュニアなんてしょせんは初心者向きでまともに取り合えないぜ、という考え方もあるのは確かだ。
しかし、ここさいきん、いろんな中程度の広さのライブバーに出かけて、実際にそこでライブをやったり、ブルースセッションなどに参加することがあるのだが、このブルースジュニアを置いている店はけっこう多い。特別に「ライブハウス」と銘打った店ではなく、定員が50人以下で「演奏もできる店」というタイプである。これは、理由はたぶん簡単で、ブルースジュニアは、価格が安いのにフルチューブアンプでけっこう音がよく、あまり重くなくてでかくもなく15Wと小型だが音量が充分に出る、ということだと思う。フェンダーも、きわめていい線をねらってきたな、と感心する。
というわけで、ブルースジュニアは自分的に、けっこう身近なアンプなのである。
さて、先日とある小さなハコでライブをやることになったのだが、そこの据付けのアンプが半分以上へたっていることが判明し、ちょっと演奏のクオリティを出す自信がない、ということに遭遇した。おりしも、自分の使っている、ギター、エフェクター、シールドなどなどを次々新調して、せめて自分の演奏の音のクオリティを上げようとしていた矢先だったので、悩んだ末、自分専用のアンプを買ってしまうのはどうか、と考えた。
自分は車を持っていないし重くて巨大なギターアンプをライブごとに持ち運ぶなんて論外だと思っていたので、それまではアンプを買うなんていうのは考えてもみなかった。しかし、ここでブルースジュニアを思いついたのである。先に書いたように、さいきん自分が演奏するハコは小さいので、ほとんどブルースジュニアで間に合ってしまう。しかも、ブルースジュニアは14kgで、ガラガラのキャリーにくくればぎりぎり手持ちできる重量とサイズなのだ。
で、問題はひとつ、「音」、である。このブルースジュニア、なんだかんだで初心者用なのは確かで、フルチューブとはいえ、なんとなくイマイチ感が漂う。そうか、ならば、改造して自分好みのアンプにしちゃおうか、というわけで、購入+改造作戦を始めたのだった。
ブルースジュニア購入
まずは、とにかく買うのが先決だ。どうせなら中古ではなく新品から改造して行きたいので新品を探す。結局、6万円ちょっとで購入。フルチューブアンプとしては、えらく安いと思う。それで、まずはそのまま使って様子を見よう、ということで先に書いたお店のライブのとき、手持ちで持ち込んだ。いくら軽めだとはいえ、14キロはさすがに疲れたが、まあ、それほど重労働ってわけじゃない。
その日のライブは、新品のブルースジュニアに、74年のストラト、エフェクターは自作のFuzzFace、そしてVOXのワウである。わかりにくいと思うけど、音はこんな感じだった。この演奏は、FuzzFaceを踏みっぱなしで手元VOLで音量コントロールしている。
それで、ライブ1セットで弾いてみた感想である。まず、音量だが、満員で50人ぐらいのハコで、ギター、ベース、ドラムの3ピースバンドであればまったく十分である。実際、マスターボリュームは半分以下で充分な音量だった。肝心の音の方はどうかと言うと、どうも高音がきつすぎる印象である。単純にキンキンしていて、なんだか音に腰がない感じである。フェンダーらしいといえばらしいが、ちょっと音がキラキラしすぎである。
Billmさんの改造
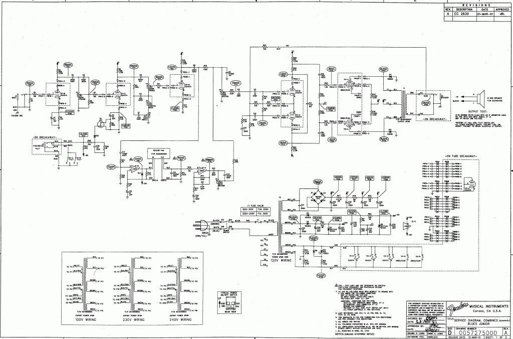
さあ、以上いう実験結果を受けて改造である。回路図は購入すればちゃんとついてくる。以下の通りである。かなりでかいファイルなので見にくいが、元の図面もそもそも見にくい。
見ての通りフルチューブと言っても、いくらか半導体も使っている。まず整流がシリコン、まあ、これはいいとしてリバーブの反響音を作る回路がオペアンプである。あと、FATスイッチのところにFETが一つ使われていて、最初は「この半導体で歪ませてるのか」と思ったのだけどそれは違っていて、これは2本目のプリ管のカソードバイパスコンデンサを入れるか入れないか電気的に制御しているだけであった。
というわけで、ギターの音が通っているところは一応すべてチューブであり、フルチューブアンプと呼んでもいいと思う。
さて、こいつの改造だけど、回路図を見ているといろいろやりたくなるところはあるが、どうもやみくもにやってしまうのも道が長そうである。そこで、実績のある改造をまずはやってみようということで、ブルースジュニア改造記事をネット探した。日本ではさっぱり見つからないが、さすがにアメリカではぼろぼろいくらでも出てくる。その中でもけっこう有名なのが以下のサイトである。
Billm Audio (あんなに一世を風靡したのに2023年現在サイトが無くなってる)
このサイトは、非常に詳しく分かりやすく写真入りでブルースジュニア改造を紹介していて、すばらしい。しかも改造キットも販売していて、ブルースジュニア改造実績1000台越え、とかすごいことも書いてある。この人、素性は知らないがたぶんプロではなくアマチュアであろう。そういう人が、詳細なサイト作成運営、改造キット販売、改造コンサル、改造作業も請け負っているとは、うーむ、さすがアメリカ、層が厚い、というか、DIYの精神がすごいというか、こういうところは感心する。
さて、ここでは、このBillmさんの改造で、自分がやってみたものを、改めて、その方法も含めて日本語で紹介してみよう、というわけだ。現在までで僕がやってみたのは以下のとおりである。
(1) トーンコントロール改造。Middleの利きをよくする
(2) Presenceコントロール増設
(3) 結合コンデンサの容量を変える(これはオリジナル)
(4) Brightコンデンサ交換(これもオリジナル)
サーキットボードの外し方
さて、まずは、サーキットボードの外し方である。写真入りで手順を紹介しておこう。
Billmさんのサイトでも、ここで但し書きが赤字で入ってるが(こんなことをここに書くのはshameだがと前置きしてw)、僕も一言。これを真似するときは自分のリスクでどうぞ。半端な知識でやると感電したり、アンプを壊したり、煙が出て燃えたり、いろいろあります。らに重要なのは、いったん改造してしまうとメーカーの保証は受けられなくなっちゃいますんで、そこんとこは、よろしく! 真空管の勉強については僕の「超初心者のための真空管アンプの工作、原理、設計まで」ってのがありますんで、是非。
さて、ブルースジュニアは、手配線(ポイント・トゥ・ポイント)ではなく、プリント基板である。まずはこの基板(サーキット・ボードとも言う)を外さないと、いけない。手順は以下である。
(1)ACプラグを抜いて裏板を外す
当たり前だが、まず、ACプラグを抜く。感電したらシャレにならない。それで裏板を止めている6本のネジを全部外し、裏板を取り外す。そうすると下のように中身が見える状態になる。
(2)電源回路の電解コンデンサーの放電
4つの灰色の大きな電解コンデンサが見えるが、これらに高圧がチャージされている状態だと感電するので危ない。ふつう、真空管がちゃんと熱くなっている状態(音が出るふつうの使用状態)で電源をオフにすれば20秒ほどでこれらは放電しているはずだが、電源を入れてすぐ切ったりすると残っていることがある。なので、まず最初に、テスターで一番大きな電解コンデンサの両端の電圧を測って、それが10V以下であることを確認してから作業した方がいい。もし、これが100V以上とかになっていると危険なので、10kΩていどの抵抗を介して放電してから作業する。
(3)束線バンドを切る
ケーブルを傷つけないように注意して束線バンドをニッパーで切っておく。
(4)ツマミとギターインプットジャックのナットの取り外し
パネルのツマミを全部抜く。ツマミは差し込んであるだけなので、ゆっくりと均等な力をかけて無理しないように抜き取る。中を見ると分かるが、ポット(ボリューム)はけっこうヤワで、プリント基板に直接半田付けされていて、壊れやすい。外れにくいツマミがあったときも無理せず、基盤側のポットをしっかり押さえて少しずつ抜く。あと、入力ジャックのナットを外す。
(5)スピーカーアウトとFATペダルのナットを外す
スピーカーの上あたりについている2つのジャックのナットを外しておく。
(6)電源トランスと出力トランスへ行くケーブルのプラグを抜く
赤、茶、青のケーブルの金属プラグが基盤に刺さっているので、これらを抜く。電源トランスからは赤2本、茶2本、緑2本の計6本、出力トランスからは赤1本、青1本、茶1本の計3本である。けっこう固いので、落ち着いて少しずつ力を加えて抜いて行く。このときケーブルを持って引っ張らないこと。ケーブルが断線してしまう。あと、電源トランスの同じ色2本は極性がなく逆でもOKなのでご心配なく。
(7)プリント基板のネジを外す
基板上のネジを全部外す。さて、この状態でプリント基板は外れるようになり、基板の裏面にアクセスできるようになる。この状態においてもまだ、リバーブタンクへ行く線やパイロットランプへ行く線などが残っているのだが、うまくケーブルをさばくことによって基板は外すことができる。ただし簡単には外れない。
基板にまだ接続されているケーブル類に余計な力が加わってしまわないように充分注意して、ゆっくりと全体のケーブルをさばきながら外して行く。なかなか外れないからといって、くれぐれも無理をしないように。ここで無理をすると、基板のプリント配線破損やケーブル断線など、かなりヤバイ事態に発展する。ここに来て、あ、オレやっぱ無理かも、と思ったらすみやかに自力改造は止めて、慣れた人を探すことをお勧めする(冗談抜きで)
プリント基板が外れると、こんな風になる。さあ、これで改造ができるようになったわけだ。
(8)元に戻すとき
以上のプロセスを逆順にする。ただし、ギター入力ジャックとFATスイッチはけっこう壊れやすいようなので注意する。特に入力ジャックのナットは締め付けすぎると基板側を壊してしまうようなので、やさしく扱うこと。
それでは、改造4種
では、今回改造したところを紹介して行こう。
(1)トーンコントロール回路改造
トーンコントロール回路改造には2つある。
まずはBillmさんの「Tone Stack Mod」である。これは、BASSコントロールへ行っている0.022μFのコンデンサの値を0.1μFに変更する、というものである。これはたとえばPrinceton Reverbで使われている値なのだそうだ。
どういう風に変わるかについてはBillmさんのココにあれこれ詳しく書いているが、要は「ベースを強調することでBlues Junior独特のこもった音を解消する」ということだそうだ。まあ真偽のほどは置いておき、昔のFenderのアンプではたしかにここの値は0.1μFが主流なことは確かなようである。
実は、もともとついているコンデンサを外すのもちょっと大変な作業なのである。重要なのは、巨大な半田ゴテでやらず30Wていどのものを使うこと、必要以上長時間コテを当てないこと、無理してやらないこと、である。基板の銅パターンを壊してしまうことがあるからである。
はい、お次は、Billmさんの「TwinStack Mod」である。トーンコントロールをFenderのTwin Reverbのタイプに変更する、というものである。これはけっこう簡単な改造で、トーンのMiddleのボリュームの一箇所をジャンパーでショートするだけである。Middleの裏側のところを下のように線でショートする。
これは何をやっているかというと、こういうことである。ブルースジュニアでは、トレブル、ミドル、ベースを全部ゼロにすると、なにやらもやもやっとした音が出る状態になる。これはミドルのレベルが落ちきらずに少し出てきているのである。それで、これを改造してツインリバーブタイプにすると、以上3つをゼロにすると音はまったく出なくなる。そっちの方がいい、という解釈である。
Billmさんのココのページの説明によれば、この改造によって「Middleツマミの利きがとてもよくなり、よりクリーンでブライトなクリーントーンが得られ、さらに、より面白いディストーションサウンドが得られる」そうである。
(2)PRESENCEの増設
これは、ブルースジュニアにはついていない、いわゆるPRESENCEコントロールを付加する、という改造である。実は、この改造によりトーンはかなり劇的に変わる。ブルースジュニアではまあまあな量のNFB(負帰還)がかかっており、このPRESENCEによりそのNFBを調整できるようにし、全開のときはNFBをほとんどオフにできる(無負帰還状態)のである。PRESENCEの原理については僕のサイトのココを参照していただきたい。
この改造はちゃんとやろうとするとかなり大変である。次の写真のように前面パネルのFATスイッチの下の場所に穴をあけ、そこにPRESENCEコントロール用のボリュームを取り付ける、ということをする。

Billmさんの改造での増設Presenceツマミ
これで自由にPRESENCEを調整できるようになり、かなり快適なのだが、それなりに大変なので、とりあえず自分は、こんな風にしてみた。30kΩの半固定抵抗をR25の7.5kの両端に半田付けする、という方法である。当然、これは裏板を外した状態じゃないと回せないので、まったくイマイチだが、これを自分の好きな位置にしておき、その状態で使おう、というわけだ。基板上ではこんな感じである。
実はこの可変抵抗を今はR25につけているが、これをどこにつけるかでいろいろ変わる。R25の両端だと最大にしたとき「PRESENCE全開」になり、高音が強調されたギラギラした音になる。
ここで、PRESENCE全開はギラギラすぎてイヤなので、高音だけでなく「全体に歪みっぽい感じを出したい」のであれば、半固定抵抗はR25の上側とグラウンド(C13の下側)に入れるといいかもしれない。まあ、とにかく、このへんは実際に音出ししながら試行錯誤が必要であろう。
(3)結合コンデンサ交換
Billmさんの改造では、結合コンデンサは残らずぜんぶオレンジドロップに交換する。そうすることで、こもった音をなくし、ディストーションをクリーミーにし、甘いクリーントーンが得られる、などなど、いろいろ書いてあるところは、ネット上に山のようにあるコンデンサ銘柄によるトーン作りそのものである。
僕の場合、実は、最初の方で言ったようにブルースジュニアをそのまま使ったら高音がキンキンで腰がないように感じられたので、とりあえずちょっと結合コンデンサの容量を増やしてみようと、考えた。もっとも、こういうのってほとんど根拠なしで、容量増やしたからって「音に腰が出る」わけじゃないんだけど、ブルースジュニアの回路を見ると結合コンデンサはほとんど0.0022μFとかなり小さいので、これを試しに少し大きくしてみたのである。
C2を0.0022から0.01に、C8を0.0022から0.015に交換してみた。コンデンサはただの手持ちのフィルムである。これで一度実地で使って様子を見てみようと思う。オレンジドロップ化は、まあ、それからということで。
(4)BRIGHTコンデンサの付け替え
実を言うと、これこそがブルースジュニアが高音キンキンしすぎる原因じゃないかと思う。初段の12AX7の後の1MΩのVOLUMEコントロールだが、ここになんと100pFが入りっぱなしになっているのである。
これはどういうことかというと、「つねにBRIGHTスイッチが入りっぱなしになっている状態」あるいは、「常にBRIGHT CHANNELを使っている状態」で、高音がキンキンして当たり前なのである。
ためしにこの100pFを外してみると、音は劇的に変わり、なんだかそのへんのふつうのFenderのアンプを弾いてる感じである。とはいえ、さすがになんだかこもった音に聞こえてしまう。思うに、先の結合コンデンサの容量を小さくしたり、トーンコントロールのベースを落としたり、BRIGHT入りっぱなしにしたり、など、ブルースジュニアは全体に高音を強調する設計になっているようである。
ここで、BRIGHTスイッチを増設する、というのが正しい気がするが、取り合えず、この100pFのコンデンサをいろいろ付け替えられるようにして、いい感じの値を探ってみようと思い、100pFを外して代わりに付け替え用ソケットをつけてみた。ソケットは、ICソケットをニッパーで切り離したヤツを使った。
ちょっとやってみたのだけど、250pFにするとさらにキンキンしたので、逆に68pFにしたら少しおとなしくなり、まあまあな感じである。ここは、47pFあたりがいいんじゃないかと思えてきたので、今度、秋葉原に行ったときに47pFのシルバーマイカでも買ってくるか、ってことになった。
出力アッテネータ
こういう改造をやっていて切実に思うのが、音出しをどうするかである。自宅でやっているわけで、音量を大きくできない。ブルースジュニアで規定の音量を出すとうちの場合、まず1分で苦情がくるだろう。かといって小さい音で試しても、音チェックにはほぼまったく役に立たない。これにはほとほと困る。
やはりこういうのは音がちゃんと出せるところで改造実験をするべきであろう。たとえば行きつけのライブバーに置いておいて、それでそこに半田ゴテやら部品やら持って行き、そこで改造し思う存分音出しチェックをする。うん、絶対、そうするべきだ。というのは、分かっているのだが、まあ、かたぎの自分にはそれも難しい。
と、いうことで、せめてアンプ側の音量をガツンと上げてもスピーカーからでかい音がしないようにアンプの出力に音を小さくするアッテネータをつけて当面それでごまかそうと考えた。
パワーアンプのパワーを落とすアッテネータは本来ならトランスみたいなものを使ってきちっとやるんだろうが、大変だし、売りもののアッテネータは馬鹿高い。そこでエー加減アッテネータを入れることにした。これは、次のような、ヘッドフォンジャック増設用の簡易抵抗アッテネータそのままである。
アンプから見た負荷は8Ωの固定抵抗、それでスピーカーは音量ボリュームで落とした電圧で鳴らすようにしている。こうすればスピーカー音量はかなり落とせる。全部をフルテンにしても音量は落とせるので、アンプでどんな歪み音になっているかを聞くことができる、というわけだ。
ただし、これはあくまで苦肉の策の仮であって、こういう状態であれこれ調整しても、いざ音量全開にするとスピーカーとキャビネットの効果、そしてそれらがアンプ本体へフィードバックすることによる音質変化(インピーダンス変化、ダンピングなどなど)によって、音はまるで変わる。ということで、あくまで仮である。
さてさて、次回は、この改造アンプを実地に持ち込んだ結果をレポートしたいと思う。
それからBillmさんの改造にはまだまだたくさんあるので彼のサイトを見ていただきたい。あと、もちろんBillmさんだけでなくたくさんのアメリカ人がブルースジュニアをあれこれいじり倒して改造しまくっている。FENDER DISCUSSION PAGEのフォーラムなどを見ると、英語で見づらいがすごい数の発言に圧倒されるであろう。
それらについては、また別の機会に紹介しようと思う。















